Артикул: 169-002-25
В наличии: 2
22 600 ₽
Автоматическими коробками передач комплектуются популярные переднеприводные автомобили
Nissan, например Cube Z10, March k10 и др.
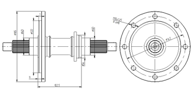
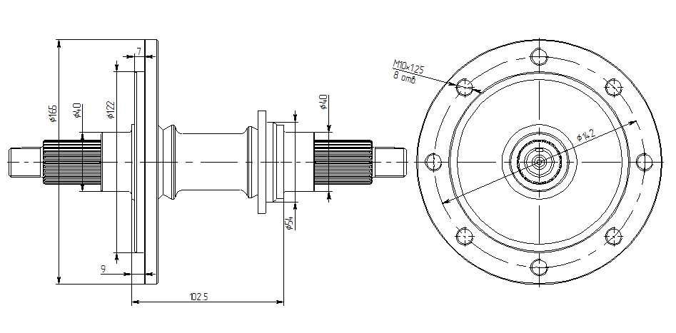
Вал ЖЮ-169 поставляется с двумя выходными фланцами под карданные валы ГАЗель, Соболь, Волга и УАЗ.
Надежно передает весь крутящий момент, возникающий на ведомой шестерне главной передачи АКПП.
Имеет дополнительно ступицу для шестерни датчика скорости.
Номинальный момент затяжки гайки М20х1,5: 142,1 Нм(14,5 кгм), мин/мах 120,8/149,2 (12,3/15,2)
Перед заказом данного изделия, пожалуйста, сравните его размеры с приведенными на странице!
Удалить товар
Вы точно хотите удалить выбранный товар? Отменить данное действие будет невозможно.
